时间:2022-09-13 点击量:

原文链接:https://www.sciencedirect.com/science/article/pii/S037877882100709X#f0025
第一作者:贾利芝 环境科学与工程学院博士;
通讯作者:刘俊杰教授 教授博导
内容简介:
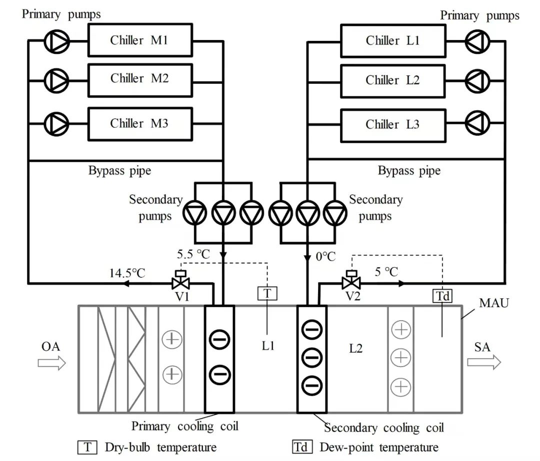
建筑占全球能源消耗的40%左右,在建筑能耗中50%以上的能耗用于建筑室内热湿环境营造。双温度冷源系统是采用高温和低温冷源分别进行温度和湿度进行控制的高效冷源系统。其中高温冷源用于承担室内的显热负荷和部分新风负荷,低温冷源用于承担新风负荷及室内全部的湿负荷。传统采用单一温度冷源系统进行热湿耦合处理,难以实现温度和湿度的同时控制,并存在能源品位的浪费。双温度冷源温湿度独立控制空调系统较传统单温度冷源系统相比,室内无湿表面防止细菌滋生,减少空调再热的造成的冷热抵消,同时高温冷源具有较高的能源效率。对于温度和湿度控制要求较高的电子洁净厂房、制药厂房、实验室等场合,双温度冷源系统是维持室内空气品质和降低能耗的一种有效解决方案。尽管双温度冷源系统比典型的单温冷源系具有较高的节能性,但目前很少有研究优化双温冷源系统冷负荷分配。对于新风处理用双温度冷源系统,一次表冷器出口空气状态决定了两组冷机的冷负荷分配。目前,多采用固定一次表冷器出口空气温度的方法实现对高温和低温冷水机组之间冷量的分配。随着室外温度的动态变化一次表冷器的出口空气状态随之变化,而固定出口空气温度设定值可能会导致部分能源品位的浪费。因此,本文以冷机的负载量及一次表冷器出口温度为决策变量,建立了冷源系统能耗最小的多参数非线性优化控制目标函数,并结合空气侧处理过程给出了一次表冷器出口空气状态的动态约束条件。在以上优化问题数学描述的基础上提出了两种双温冷源系统冷负荷分配的最优控制方法,并评估了两种优化控制方法在整个制冷季的节能效果。方法一通过调整每台冷水机组的负载量来优化每组冷机的冷负荷分配。应用方法一可以实现整个制冷季的冷机耗电量降低10.1%。方法二在室外环境条件变化时通过同时调整每个冷水机组负载量和一次表冷器出口空气温度设定值实现对同一组冷机之间和两组冷机之间的冷负荷分配。通过同时考虑冷冻水回路和空气处理过程的影响,方法二在整个制冷季实现了更高的节能率,约为16.4%。在炎热的夏季,节能主要来自于优化每个冷水机组中冷机之间的冷负荷分配,这种优化方法对总节能量的贡献率达到了63-68%。在温和的月份,优化同一组冷水机组之内和优化两个冷水机组之间的冷负荷分配对总节能量的贡献率几乎相同,约为50%。从以上研究结果可以看出本文所提出的优化控制方法能够进一步提升双温度冷源系统的运行效率。所提出的优化控制方法为双温度冷源系统在电子洁净厂房、制药厂房、实验室等场合的应用提供的技术参考和支持。

双温度冷源系统示意图

不同策略下系统运行能耗

不同优化控制策略节能效果